各型号PLC接线图大全,收藏这一篇就够了
各型号PLC接线图大全,收藏这一篇就够了
头条号私信回复1,可免费获取海量资源下载链接
本文收录这六种主流PLC的接线图,后续会添加更多型号PLC,敬请关注!
目录
一、西门子
二、三菱
三、欧姆龙
四、松下
五、台达
六、信捷
一、西门子
1.S7-200 CN(点击查看大图)(摘自官方硬件手册,下同)
2.S7-200 Smart(点击查看大图)
3.S7-1200(点击查看大图)
二、三菱
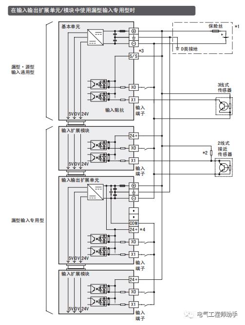
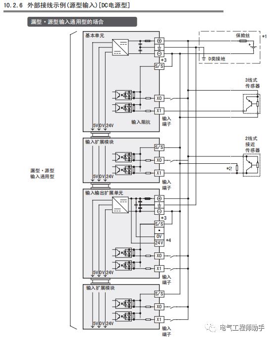
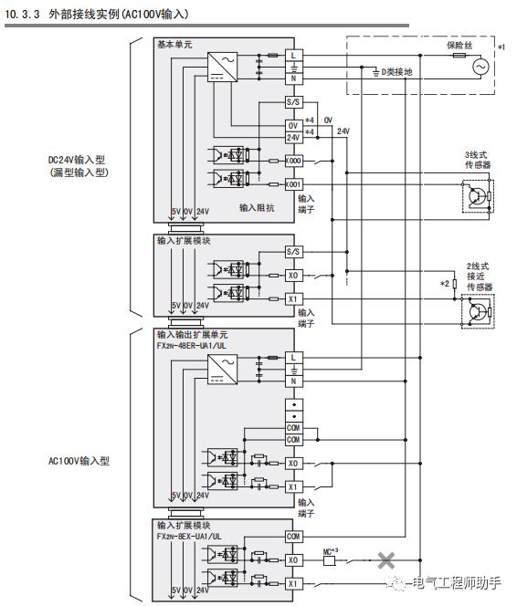
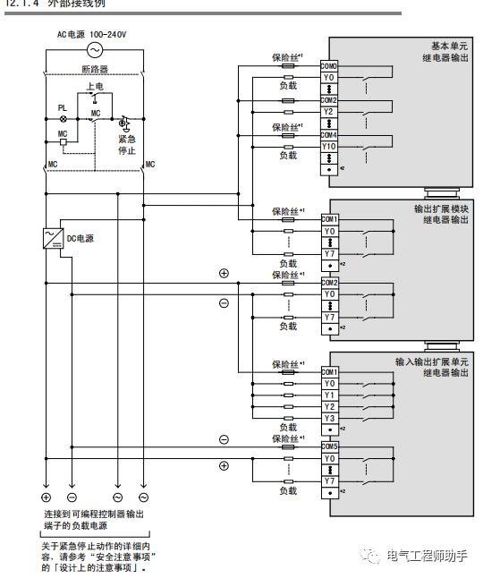
1.FX3U(点击查看大图)
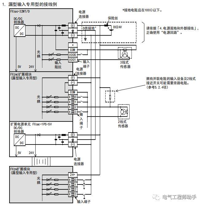
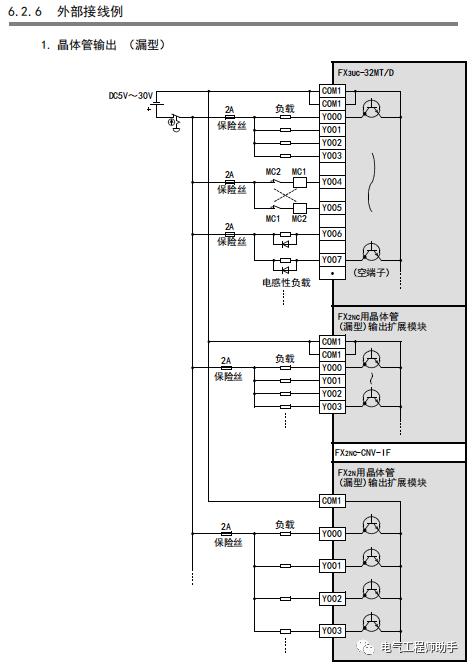
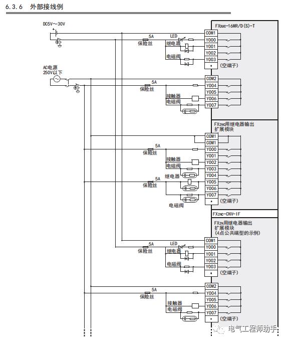
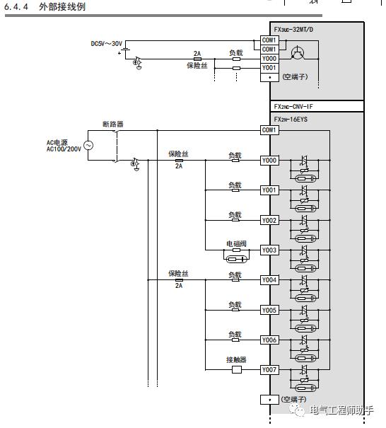
2.FX3Uc(点击查看大图)
2.FX3G(点击查看大图)
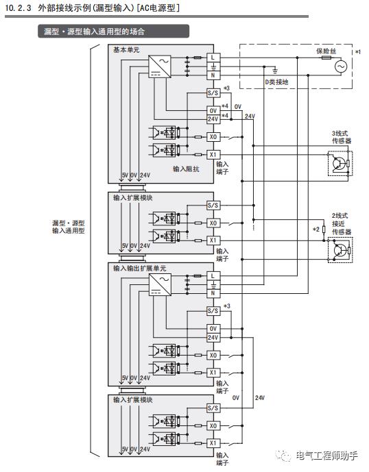
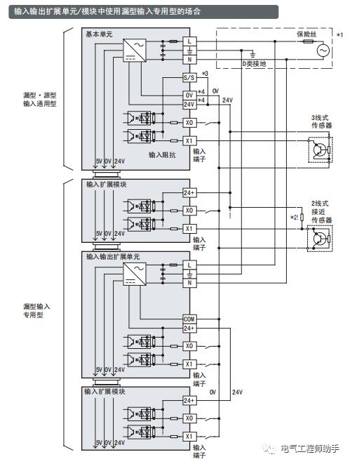
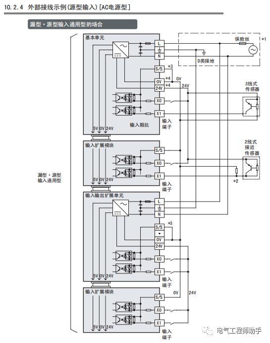
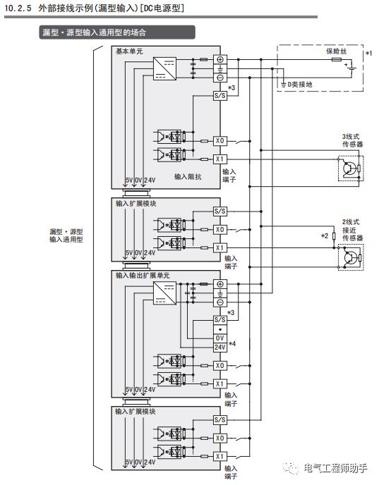
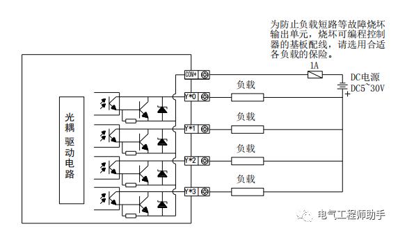
三、欧姆龙
1.CP1H(点击查看大图)
2.CP1L(点击查看大图)
3.CP1E(点击查看大图)
四、松下
1.FP(点击查看大图)
五、台达
1.AS300(点击查看大图)
2.DVP(点击查看大图)
六、信捷
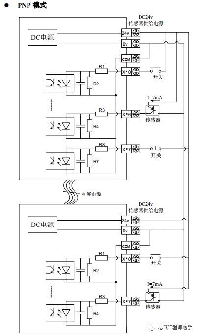
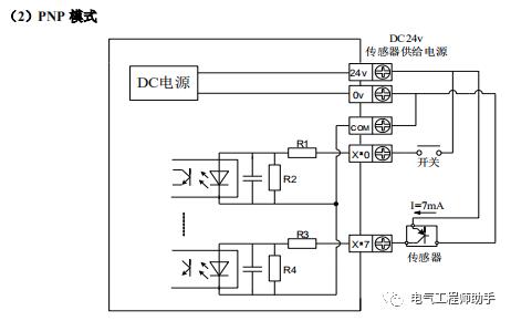
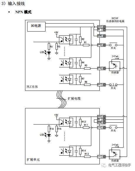
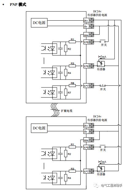
1.XC(点击查看大图)
2.XD、XL(点击查看大图)
3.XG(点击查看大图)
头条号私信回复1,可免费获取海量资源下载链接
-
- 四川爱狗人士暴打狗肉店老板4小时,逼其给狗下跪,听到判罚傻眼
-
2024-10-14 16:37:02
-
- 那个败光两个富豪家产,与女儿决裂的章小蕙,现在过得怎么样?
-
2024-10-14 08:04:43
-
- 美瞳哪个牌子好看 美瞳牌子哪个比较好
-
2024-10-14 08:02:28
-
- 传承600多年的杂粮酒濒临消失,因一人献出配方,才得以成为经典
-
2024-10-14 08:00:13
-
- 中国外交官从以前的韬光养晦,到今天的展露锋芒,硬气又有骨气
-
2024-10-14 07:57:59
-
- 孟庭苇:从“月亮女神”到退出娱乐圈,一场报复性的婚姻将她毁了
-
2024-10-14 07:55:44
-
- 7 部百合剧推荐:突破女女之爱的禁忌……
-
2024-10-14 07:53:29
-
- 湖南长沙浏阳市概况
-
2024-10-14 07:51:14
-
- 党史天天学 - 重学术、做实事的中国物理学“开山鼻祖”
-
2024-10-14 07:48:59
-
- 美国神婆曾预言女王去世,又发布2023年世界预言,为啥那么准?
-
2024-10-14 07:46:44
-
- 中国古装男神张智尧的七部 好剧
-
2024-10-14 07:44:29
-
- 撩妹小技巧,第一句话咋么发
-
2024-10-13 22:27:11
-
- 简单说下什么是彝族年?
-
2024-10-13 22:24:56
-
- 独家:一知名影院拖欠货款40多万 设备公司怒了起诉要钱
-
2024-10-13 22:22:42
-
- 常用的简单毛线球、绒线球的做法图解
-
2024-10-13 22:20:27
-
- 中印紧张对峙,国际社会紧急斡旋,紧张情势扑朔迷离!
-
2024-10-13 22:18:12
-
- 一组父亲的背影图,总有一张能让你落泪,向天下所有的父亲致敬!
-
2024-10-13 22:15:57
-
- 新生代女演员杨洋 个人简历大公开
-
2024-10-13 22:13:42
-
- 田径世锦赛!女子100米赛况回顾
-
2024-10-13 22:11:27
-
- 什么是权威?
-
2024-10-13 22:09:12

































































































































ipx7防水级别对照表
shao读音的姓氏